Ограничитель скорости

Материал из Лифтопедия: онлайн энциклопедия о лифтах
Перейти к навигацииПерейти к поиску
Ограничитель скорости
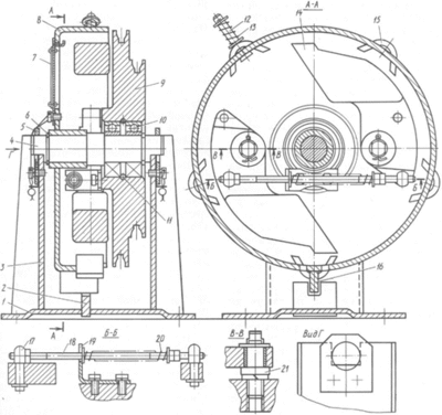
Ограничитель скорости: 1 — пластина, 2— ребро, 3 — стойка, 4, 21 — оси, 5 — планка, 6, 11 — кольца, 7 — крышка, 8 — корпус, 9 —шкив, 10 — шарикоподшипник, 12 — стержень, 13, 20 — пружины, 14 — груз, 15 — упор, 16 — пластина, 17 — стойка, 18 — тяга, 19 — кронштейн

Срабатывание ограничителя скорости основано на использовании центробежных сил внецентренно расположенных вращающихся грузов, которые приводятся в движение канатом ограничителя скорости, связанным с кабиной или противовесом. Таким образом, ограничитель скорости действует только в зависимости от скорости опускания кабины или противовеса, даже в случае обрыва подъемных канатов и при отсутствии электропитания лебедки.

Монтаж ограничителей

Ограничители скорости, как правило, установлены в машинном помещении и редко на крыше кабины. При установке ограничителя скорости в машинном помещении он приводится в действие канатом ограничителя скорости, расположенным по всей высоте шахты, до натяжного устройства, размещенного в приямке. Одна ветвь каната ограничителя скорости связана с рычагом кинематической цепи ловителей кабины.

Типы ограничителей

В зависимости от положения оси, относительно которой вращаются грузы, ограничители скорости делят на вертикальные и горизонтальные. Более широко распространены последние (плоские) ограничители (см. рисунок), у которых ось вращения грузов расположена горизонтально.

Принцип работы

Горизонтальный (плоский) ограничитель скорости действует следующим образом. При нормальной работе лифта канат ограничителя скорости уложен в ручей шкива 9 большего диаметра. Концы каната соединены с рычагом кинематической цепи ловителей кабины (противовеса). Обе ветви каната нагружены натяжным устройством, расположенным в приямке лифта.

Ветвь каната ограничителя скорости, соединенная с рычагом ловителя, перемещается вместе с кабиной, приводя во вращение шкив за счет сил трения между канатом и рабочей поверхностью ручья. Центробежные силы стремятся повернуть грузы в сторону от оси вращения шкива. Однако поворот грузов ограничивается пружиной, которая, воздействуя на тягу, удерживает грузы от соприкосновения с упорами. В этот период грузы вращаются вместе со шкивом, не задевая за упоры.

Работу ограничителя скорости проверяют по моменту его срабатывания в зависимости от скорости движения кабины и по силам трения между канатом ограничителя скорости и ручьем шкива.

В лебедках лифтов, работающих на постоянном токе, момент срабатывания ограничителя скорости можно проверить, искусственно повышая частоту вращения электродвигателя, например, путем изменения напряжения питания. Если такая возможность отсутствует, то срабатывание ограничителя скорости проверяют искусственным повышением частоты вращения шкива путем перевода каната ограничителя скорости с рабочего ручья шкива на ручей меньшего диаметра, специально предусмотренного для ревизии.

Из этой зависимости видно, что скорость вращения шкива при заданной окружной скорости тем больше, чем меньше диаметр ручья шкива, на котором находится канат. Следовательно, если перевести канат со шкива большего диаметра на шкив меньшего диаметра, то при тех же скоростях кабины и каната получается большая частота вращения шкива. Меньший диаметр шкива определяется с таким расчетом, чтобы при переводе на него каната частота вращения ограничителя увеличивалась бы примерно на 25%, но не свыше регламентированных пределов.

Помимо рычажной системы некоторые натяжные устройства выполняют в виде груза, подвешенного к блоку и перемещающегося по вертикальным направляющим. Перемещение груза обязательно контролируют контактным устройством, которое отключает механизм подъема лифта при чрезмерном опускании или подъеме груза.

Источники